WAŁ KORBOWY
TOP RACING EVOLUTION 2T 50 CCM N.G. APRILIA SR 50 12 MM
Kod produktu:
WAJ6034501
Charakterystyka
produktu:
·
Wał KARBOWY
TOP RACING/JASIL do silników 2T 50 CCM
·
EVOLUTION to najwyższy
model firmy Top Racing
·
Najwyższej
jakości zamiennik, niczym nie odbiegający od części oryginalnej
·
Łożysko
sworznia tłokowego - 12x15x15 mm
·
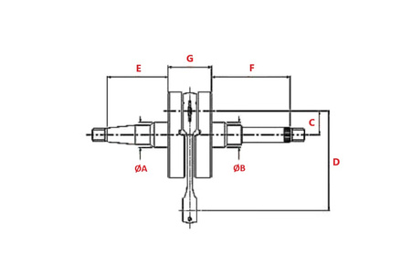
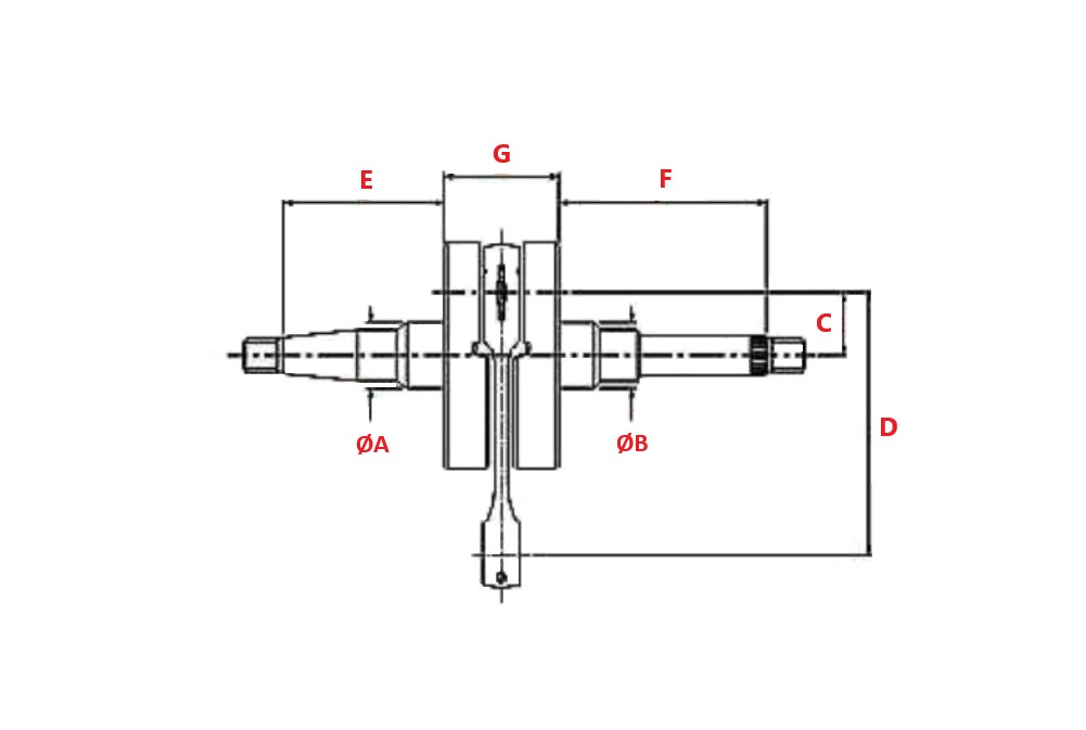
Wymiary:
A - 20,00 mm
B - 20,00 mm
C - 19,60 mm
D - 80,00 mm
E - 94,50 mm
F - 79,70 mm
G - 37,95 mm
·
Wyprodukowana
według standardów jakości ISO
Zastosowanie: N.G. APRILIA SR 50 12 MM szczegóły w zakładce „pasuje
do” i tabelce poniżej
JASIL to Portugalska firma zajmująca się obróbką metali,
której główną działalnością jest produkcja części i akcesoriów do motocykli i
skuterów. 70 lat doświadczenia oraz dążenie do doskonałości, jest efektem
stałych inwestycji w nowe technologie, rozwój nowych produktów, dbałość o
jakość z koncentracją na końcowym odbiorcy








