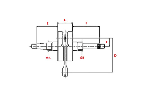
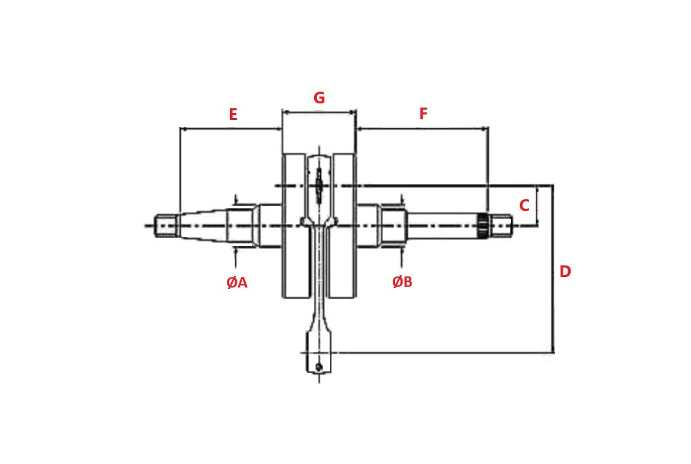
WAŁ KORBOWY
TOP RACING 2T 50 CCM STANDARD KYMCO ZX 50 DAELIM MASSAGE SYM FIDDLE
Kod produktu: WAJ6030014
Charakterystyka
produktu:
·
Wał KARBOWY
TOP RACING/JASIL do silników 2T 50 CCM A/C
·
Najwyższej
jakości zamiennik, niczym nie odbiegający od części oryginalnej
·
Łożysko główki
korbowodu - 12x17x13 mm
·
Wymiary:
A - 20,00 mm
B - 20,00 mm
C - 20,50 mm
D - 80,00 mm
E - 49,75 mm
F - 91,40 mm
G - 34,10 mm
·
Wyprodukowana
według standardów jakości ISO
Zastosowanie: KYMCO, DAELIM, SYM szczegóły w zakładce „pasuje
do” i tabelce poniżej
JASIL to Portugalska firma zajmująca się obróbką metali,
której główną działalnością jest produkcja części i akcesoriów do motocykli i
skuterów. 70 lat doświadczenia oraz dążenie do doskonałości, jest efektem
stałych inwestycji w nowe technologie, rozwój nowych produktów, dbałość o
jakość z koncentracją na końcowym odbiorcy










