Zapisz na liście zakupowej
Stwórz nową listę zakupową
Wał korbowy rms 2t 50 ccm minarelli horizontal yamaha aprilia mbk 10mm cylinder pionowy
Marka
Symbol
RMS 10 001 0031
Kod producenta
DNXEFNJJOHSLK
Informacja o bezpieczeństwie
Części silnikowe
Towar wprowadzony przed 13.12.2024
Towar wprowadzony przed 13.12.2024

Wał korbowy rms 2t 50 ccm minarelli horizontal yamaha aprilia mbk 10mm cylinder pionowy

  • Części moto + silnik + wały korbowe
211,07 zł
brutto / szt.
Produkt niedostępny
Produkt niedostępny
14 dni na łatwy zwrot
Ten produkt nie jest dostępny w sklepie stacjonarnym
Bezpieczne zakupy

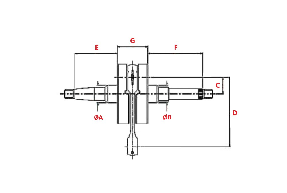
Wał korbowy RMS APRILIA/ ITALJET/ MBK/ YAMAHA

Silniki Minarelli Horizontal

17 frezów
średnica przeciwwag 72mm

Wymiary:
Ø A - 20 mm
Ø B - 20 mm
C - 19,6 mm
D - 80 mm
E - 94,5 mm
F - 79,7 mm
G - 37,95 mm
łożysko swożnia tłokowego 10x14x13 mm

 


RMS to włoska firma oferująca zamienniki o sprawdzonej jakości. Artykuły są bardzo dobrze skatalogowane i opakowane. Stanowią alternatywę dla części orginalnych. Często produkowane są w tych samych fabrykach. Można znaleźć tu produkty renomowanych firm takich jak SKF, DAYCO, FORSA UFI, NHC. Oferta obejmuje cześci do pojazdów oferowanych na rynkach europejskich zarówno do pojemności 50 jak i większych. Przystepne ceny i dobra jakość sprawia, że części RMS są coraz chętniej wybierane na polskim rynku.

pixel

Pasuje do

Marka
Model
Pojemność
Rok
Adly/Herchee
ATV
50
2004 kod ramy: - symbol: VG
Adly/Herchee
ATV
50
2004 kod ramy: - symbol: VS
Adly/Herchee
ATV
50
2005 kod ramy: - symbol: VG
Adly/Herchee
ATV
50
2005 kod ramy: - symbol: VS
Adly/Herchee
ATV
50
2006 kod ramy: - symbol: VG
Adly/Herchee
ATV
50
2006 kod ramy: - symbol: VS
Adly/Herchee
ATV
50
2007 kod ramy: - symbol: VG
Adly/Herchee
ATV
50
2007 kod ramy: - symbol: VS
Adly/Herchee
ATV
50
2008 kod ramy: - symbol: VG
Adly/Herchee
ATV
50
2008 kod ramy: - symbol: VS
Adly/Herchee
ATV
50
2009 kod ramy: - symbol: VG
Adly/Herchee
ATV
50
2009 kod ramy: - symbol: VS
Adly/Herchee
ATV
50
2010 kod ramy: - symbol: VG
Adly/Herchee
ATV
50
2011 kod ramy: - symbol: VG
Adly/Herchee
ATV
50
2012 kod ramy: - symbol: VG
Adly/Herchee
ATV
50
2013 kod ramy: - symbol: VG
Adly/Herchee
ATV
50
2014 kod ramy: - symbol: VG
Adly/Herchee
ATV
50
2015 kod ramy: - symbol: VG
Adly/Herchee
ATV
50
2016 kod ramy: - symbol: VG
Adly/Herchee
ATV
50
2017 kod ramy: - symbol: VG
Adly/Herchee
RS
50
2005 kod ramy: - symbol: XXL AC Super Sonic
Adly/Herchee
RS
50
2006 kod ramy: - symbol: XXL AC Super Sonic
Adly/Herchee
RS
50
2007 kod ramy: - symbol: XXL AC Super Sonic
Adly/Herchee
RS
50
2008 kod ramy: - symbol: XXL AC Super Sonic
Adly/Herchee
RS
50
2009 kod ramy: - symbol: XXL AC Super Sonic
Adly/Herchee
RS
50
2010 kod ramy: - symbol: XXL AC Super Sonic
Adly/Herchee
RS
50
2011 kod ramy: - symbol: XXL AC Super Sonic
Adly/Herchee
RS
50
2012 kod ramy: - symbol: XXL AC Super Sonic
Adly/Herchee
RS
50
2013 kod ramy: - symbol: XXL AC Super Sonic
Adly/Herchee
RS
50
2014 kod ramy: - symbol: XXL AC Super Sonic
Adly/Herchee
Silver Fox
50
2002 kod ramy: - symbol:
Adly/Herchee
Silver Fox
50
2003 kod ramy: - symbol:
Adly/Herchee
Silver Fox
50
2004 kod ramy: - symbol:
Adly/Herchee
Silver Fox
50
2005 kod ramy: - symbol:
Adly/Herchee
Silver Fox
50
2006 kod ramy: - symbol:
Adly/Herchee
Silver Fox
50
2007 kod ramy: - symbol:
Adly/Herchee
Silver Fox
50
2008 kod ramy: - symbol:
Adly/Herchee
Silver Fox
50
2009 kod ramy: - symbol:
Adly/Herchee
Silver Fox
50
2010 kod ramy: - symbol:
Adly/Herchee
Silver Fox
25
2002 kod ramy: - symbol:
Adly/Herchee
Silver Fox
25
2003 kod ramy: - symbol:
Adly/Herchee
Silver Fox
25
2004 kod ramy: - symbol:
Adly/Herchee
Silver Fox
25
2005 kod ramy: - symbol:
Adly/Herchee
Super Cross
50
2005 kod ramy: - symbol: XXL AC
Adly/Herchee
Super Cross
50
2006 kod ramy: - symbol: XXL AC
Adly/Herchee
Super Cross
50
2007 kod ramy: - symbol: XXL AC
Adly/Herchee
Super Cross
50
2008 kod ramy: - symbol: XXL AC
Adly/Herchee
Super Cross
50
2009 kod ramy: - symbol: XXL AC
Adly/Herchee
Super Cross
50
2010 kod ramy: - symbol: XXL AC
Adly/Herchee
Super Cross
50
2011 kod ramy: - symbol: XXL AC
Adly/Herchee
Super Cross
50
2012 kod ramy: - symbol: XXL AC
Adly/Herchee
Super Cross
50
2013 kod ramy: - symbol: XXL AC
Adly/Herchee
Super Cross
50
2014 kod ramy: - symbol: XXL AC
Adly/Herchee
Thunderbike
50
2002 kod ramy: - symbol: TB
Adly/Herchee
Thunderbike
50
2003 kod ramy: - symbol: TB
Adly/Herchee
Thunderbike
50
2004 kod ramy: - symbol: TB
Adly/Herchee
Thunderbike
50
2005 kod ramy: - symbol: TB
Adly/Herchee
Thunderbike
50
2006 kod ramy: - symbol: TB
Adly/Herchee
Thunderbike
50
2007 kod ramy: - symbol: TB
Adly/Herchee
Thunderbike
50
2008 kod ramy: - symbol: TB
Adly/Herchee
Thunderbike
50
2009 kod ramy: - symbol: TB
Adly/Herchee
Thunderbike
50
2010 kod ramy: - symbol: TB
Aeon
Cobra
50
2007 kod ramy: - symbol: 2WD
Aeon
Cobra
50
2008 kod ramy: - symbol: 2WD
Aeon
Cobra
50
2009 kod ramy: - symbol: 2WD
Aeon
Cobra
50
2010 kod ramy: - symbol: 2WD
Aeon
Cobra
50
2011 kod ramy: - symbol: 2WD
Aeon
Cobra
50
2012 kod ramy: - symbol: 2WD
Aeon
Cobra
50
2013 kod ramy: - symbol: 2WD
Aeon
Cobra
50
2014 kod ramy: - symbol: 2WD
Aeon
Mini Kolt
50
2008 kod ramy: - symbol: 2WD
Aeon
Mini Kolt
50
2009 kod ramy: - symbol: 2WD
Aeon
Mini Kolt
50
2010 kod ramy: - symbol: 2WD
Aeon
Mini Kolt
50
2011 kod ramy: - symbol: 2WD
Aeon
Mini Kolt
50
2012 kod ramy: - symbol: 2WD
Aeon
Mini Kolt
50
2013 kod ramy: - symbol: 2WD
Aeon
Mini Kolt
50
2014 kod ramy: - symbol: 2WD
Aeon
Revo
50
2004 kod ramy: - symbol: W 2WD
Aeon
Revo
50
2005 kod ramy: - symbol: W 2WD
Aeon
Revo
50
2006 kod ramy: - symbol: W 2WD
Aeon
Revo
50
2004 kod ramy: - symbol: Mini Kolt 2WD
Aeon
Revo
50
2005 kod ramy: - symbol: Mini Kolt 2WD
Aeon
Revo
50
2006 kod ramy: - symbol: Mini Kolt 2WD
Aeon
Revo
50
2007 kod ramy: - symbol: Mini Kolt 2WD
Aprilia
Area 51
50
1998 kod ramy: MY000 symbol: LC
Aprilia
Area 51
50
1999 kod ramy: MYG00 symbol: LC KAT
Aprilia
Area 51
50
2000 kod ramy: MYG00 symbol: LC KAT
Aprilia
Area 51
50
2001 kod ramy: MYG00 symbol: LC KAT
Aprilia
Area 51
50
2002 kod ramy: MYG00 symbol: LC KAT
Aprilia
Area 51
50
2000 kod ramy: MYG00 symbol: LC SBK KAT
Aprilia
Area 51
50
2001 kod ramy: MYG00 symbol: LC SBK KAT
Aprilia
Area 51
50
2002 kod ramy: MYG00 symbol: LC SBK KAT
Aprilia
Gulliver
50
1995 kod ramy: LH000 symbol: AC
Aprilia
Gulliver
50
1996 kod ramy: LH000 symbol: AC
Aprilia
Gulliver
50
1997 kod ramy: LH000 symbol: AC
Aprilia
Gulliver
50
1998 kod ramy: LH000 symbol: AC
Aprilia
Gulliver
50
1999 kod ramy: LH000 symbol: AC
Aprilia
Gulliver
50
1996 kod ramy: LH040 symbol: LC
Aprilia
Gulliver
50
1997 kod ramy: LH040 symbol: LC
Aprilia
Gulliver
50
1998 kod ramy: LH040 symbol: LC
Aprilia
Gulliver
50
1999 kod ramy: LH040 symbol: LC
Aprilia
Rally
50
1998 kod ramy: MD000 symbol: AC
Aprilia
Rally
50
1999 kod ramy: MD000 symbol: AC
Aprilia
Rally
50
1995 kod ramy: MD000 symbol: AC
Aprilia
Rally
50
1996 kod ramy: MD000 symbol: AC
Aprilia
Rally
50
1997 kod ramy: MD000 symbol: AC
Aprilia
Rally
50
1996 kod ramy: MDA00 symbol: LC DD
Aprilia
Rally
50
1997 kod ramy: MDA00 symbol: LC DD
Aprilia
Rally
50
1998 kod ramy: MDA00 symbol: LC DD
Aprilia
Rally
50
1999 kod ramy: MDA00 symbol: LC DD
Aprilia
Rally
50
1996 kod ramy: MDA10 symbol: LC DT
Aprilia
Rally
50
1997 kod ramy: MDA10 symbol: LC DT
Aprilia
Rally
50
1998 kod ramy: MDA10 symbol: LC DT
Aprilia
Rally
50
1999 kod ramy: MDA10 symbol: LC DT
Aprilia
Rally
50
2000 kod ramy: MDH00 symbol: AC KAT
Aprilia
Rally
50
2001 kod ramy: MDH00 symbol: AC KAT
Aprilia
Rally
50
2002 kod ramy: MDH00 symbol: AC KAT
Aprilia
Rally
50
2003 kod ramy: TM symbol: AC KAT
Aprilia
Rally
50
2004 kod ramy: TM symbol: AC KAT
Aprilia
Scarabeo
50
1993 kod ramy: HS symbol: 2T TT
Aprilia
Scarabeo
50
1994 kod ramy: HS symbol: 2T TT
Aprilia
Scarabeo
50
1995 kod ramy: HS symbol: 2T TT
Aprilia
Scarabeo
50
1996 kod ramy: HS symbol: 2T TT
Aprilia
Scarabeo
50
1997 kod ramy: HS symbol: 2T TT
Aprilia
Scarabeo
50
1994 kod ramy: LE symbol: 2T DT
Aprilia
Scarabeo
50
1995 kod ramy: LE symbol: 2T DT
Aprilia
Scarabeo
50
1996 kod ramy: LE symbol: 2T DT
Aprilia
Scarabeo
50
1997 kod ramy: LE symbol: 2T DT
Aprilia
Scarabeo
50
1998 kod ramy: PF010 symbol: 2T DD
Aprilia
Scarabeo
50
1999 kod ramy: PF010 symbol: 2T DD
Aprilia
Scarabeo
50
2001 kod ramy: PFG00 symbol: 2T DT KAT
Aprilia
Scarabeo
50
2002 kod ramy: PFG00 symbol: 2T DT KAT
Aprilia
Scarabeo
50
2000 kod ramy: PFG10 symbol: 2T DD KAT
Aprilia
Scarabeo
50
2000 kod ramy: PFG00 symbol: 2T DT KAT
Aprilia
Scarabeo
50
2001 kod ramy: PFG10 symbol: 2T DD KAT
Aprilia
Scarabeo
50
2002 kod ramy: PFG10 symbol: 2T DD KAT
Aprilia
Sonic
50
2000 kod ramy: PB000 symbol: AC
Aprilia
Sonic
50
1998 kod ramy: PB000 symbol: AC
Aprilia
Sonic
50
1999 kod ramy: PB000 symbol: AC
Aprilia
Sonic
50
2001 kod ramy: PB000 symbol: AC
Aprilia
Sonic
50
2002 kod ramy: PB000 symbol: AC
Aprilia
Sonic
50
1998 kod ramy: PB010 symbol: GP LC
Aprilia
Sonic
50
1999 kod ramy: PB010 symbol: GP LC
Aprilia
SR
50
1992 kod ramy: LB/GP symbol: AC (cylinder pionowy)
Aprilia
SR
50
1993 kod ramy: LB/GP symbol: AC (cylinder pionowy)
Aprilia
SR
50
1994 kod ramy: MR/LC symbol: LC (cylinder poziomy)
Aprilia
SR
50
1995 kod ramy: MR/LC symbol: LC (cylinder poziomy)
Aprilia
SR
50
1996 kod ramy: MR/LC symbol: LC (cylinder poziomy)
Aprilia
SR
50
1994 kod ramy: MR/LF symbol: AC (cylinder poziomy)
Aprilia
SR
50
1995 kod ramy: MR/LF symbol: AC (cylinder poziomy)
Aprilia
SR
50
1996 kod ramy: MR/LF symbol: AC (cylinder poziomy)
Aprilia
SR
50
1994 kod ramy: MR/LF symbol: AC Replica (cylinder poziomy)
Aprilia
SR
50
1995 kod ramy: MR/LF symbol: AC Replica (cylinder poziomy)
Aprilia
SR
50
1996 kod ramy: MR/LF symbol: AC Replica (cylinder poziomy)
Aprilia
SR
50
1992 kod ramy: LB/GP symbol: AC Urban Kid (cylinder pionowy)
Aprilia
SR
50
1993 kod ramy: LB/GP symbol: AC Urban Kid (cylinder pionowy)
Aprilia
SR
50
1997 kod ramy: LY000 symbol: AC WWW
Aprilia
SR
50
1998 kod ramy: LY000 symbol: AC WWW
Aprilia
SR
50
1994 kod ramy: LB/GP symbol: AC Replica (cylinder pionowy)
Aprilia
SR
50
1997 kod ramy: MZ010 symbol: LC (cylinder poziomy)
Aprilia
SR
50
1998 kod ramy: MZ010 symbol: LC (cylinder poziomy)
Aprilia
SR
50
1997 kod ramy: MZ010 symbol: LC Netscaper (cylinder poziomy)
Aprilia
SR
50
1998 kod ramy: MZ010 symbol: LC Netscaper (cylinder poziomy)
Aprilia
SR
50
1997 kod ramy: MZC00 symbol: LC Racing (cylinder poziomy)
Aprilia
SR
50
1998 kod ramy: MZC00 symbol: LC Racing (cylinder poziomy)
Aprilia
SR
50
1999 kod ramy: MZL10 symbol: LC Racing (cylinder poziomy)
Aprilia
SR
50
1997 kod ramy: MZC00 symbol: LC Replica (cylinder poziomy)
Aprilia
SR
50
1998 kod ramy: MZF00 symbol: LC Replica (cylinder poziomy)
Aprilia
SR
50
1997 kod ramy: MZC00 symbol: LC Stealth (cylinder poziomy)
Aprilia
SR
50
1998 kod ramy: MZC00 symbol: LC Stealth (cylinder poziomy)
Aprilia
SR
50
1999 kod ramy: MZL10 symbol: LC Stealth (cylinder poziomy)
Aprilia
SR
50
1999 kod ramy: LYH00 symbol: AC WWW KAT
Aprilia
SR
50
2000 kod ramy: LYH00 symbol: AC WWW KAT
Aprilia
SR
50
2001 kod ramy: LYH00 symbol: AC WWW KAT
Aprilia
SR
50
2002 kod ramy: LYH00 symbol: AC WWW KAT
Baotian
BT49QT-18C1
50
2009 kod ramy: - symbol: Rebel
Baotian
BT49QT-18C1
50
2010 kod ramy: - symbol: Rebel
Baotian
BT49QT-18C1
50
2011 kod ramy: - symbol: Rebel
Baotian
BT49QT-18C1
50
2012 kod ramy: - symbol: Rebel
Baotian
BT49QT-18C1
50
2013 kod ramy: - symbol: Rebel
Baotian
BT49QT-18C1
50
2014 kod ramy: - symbol: Rebel
Baotian
BT49QT-18C1
50
2015 kod ramy: - symbol: Rebel
Baotian
BT49QT-18C1
50
2016 kod ramy: - symbol: Rebel
Baotian
BT49QT-18C1
50
2017 kod ramy: - symbol: Rebel
Baotian
BT49QT-18E1
50
2009 kod ramy: - symbol: Rebel
Baotian
BT49QT-18E1
50
2010 kod ramy: - symbol: Rebel
Baotian
BT49QT-18E1
50
2011 kod ramy: - symbol: Rebel
Baotian
BT49QT-18E1
50
2012 kod ramy: - symbol: Rebel
Baotian
BT49QT-18E1
50
2013 kod ramy: - symbol: Rebel
Baotian
BT49QT-18E1
50
2014 kod ramy: - symbol: Rebel
Baotian
BT49QT-18E1
50
2015 kod ramy: - symbol: Rebel
Baotian
BT49QT-18E1
50
2016 kod ramy: - symbol: Rebel
Baotian
BT49QT-18E1
50
2017 kod ramy: - symbol: Rebel
Baotian
BT49QT-18F1
50
2009 kod ramy: - symbol: Tanco 49
Baotian
BT49QT-18F1
50
2010 kod ramy: - symbol: Tanco 49
Baotian
BT49QT-18F1
50
2011 kod ramy: - symbol: Tanco 49
Baotian
BT49QT-18F1
50
2012 kod ramy: - symbol: Tanco 49
Baotian
BT49QT-18F1
50
2013 kod ramy: - symbol: Tanco 49
Baotian
BT49QT-18F1
50
2014 kod ramy: - symbol: Tanco 49
Baotian
BT49QT-18F1
50
2015 kod ramy: - symbol: Tanco 49
Baotian
BT49QT-18F1
50
2016 kod ramy: - symbol: Tanco 49
Baotian
BT49QT-18F1
50
2017 kod ramy: - symbol: Tanco 49
Baotian
BT49QT-20C
50
2011 kod ramy: - symbol: 2T
Baotian
BT49QT-20C
50
2012 kod ramy: - symbol: 2T
Baotian
BT49QT-28A
50
2009 kod ramy: - symbol: Zico
Baotian
BT49QT-28A
50
2010 kod ramy: - symbol: Zico
Baotian
BT49QT-28A
50
2011 kod ramy: - symbol: Zico
Baotian
BT49QT-28A
50
2012 kod ramy: - symbol: Zico
Baotian
BT49QT-28A
50
2013 kod ramy: - symbol: Zico
Baotian
BT49QT-28A
50
2014 kod ramy: - symbol: Zico
Baotian
BT49QT-28A
50
2015 kod ramy: - symbol: Zico
Baotian
BT49QT-28A
50
2016 kod ramy: - symbol: Zico
Baotian
BT49QT-28A
50
2017 kod ramy: - symbol: Zico
Benelli
491
50
2003 kod ramy: ND0400P symbol: ST AC
Benelli
491
50
2002 kod ramy: BA0100 symbol: LC Replica
Benelli
491
50
2003 kod ramy: ND0200P symbol: RR LC
Benelli
491
50
2001 kod ramy: BA0102 symbol: ST AC
Benelli
491
50
2002 kod ramy: BA0102 symbol: ST AC
Benelli
491
50
2004 kod ramy: ND0400P symbol: ST AC
Benelli
491
50
2005 kod ramy: ND0400P symbol: ST AC
Benelli
491
50
2006 kod ramy: ND0400P symbol: ST AC
Benelli
491
50
1998 kod ramy: BA0100 symbol: LC Racing
Benelli
491
50
1999 kod ramy: BA0100 symbol: LC Racing
Benelli
491
50
2000 kod ramy: BA0100 symbol: LC Racing
Benelli
491
50
2001 kod ramy: BA0100 symbol: LC Racing
Benelli
491
50
1998 kod ramy: BA0101 symbol: LC Sport
Benelli
491
50
1999 kod ramy: BA0101 symbol: LC Sport
Benelli
491
50
2000 kod ramy: BA0101 symbol: LC Sport
Benelli
491
50
2001 kod ramy: BA0101 symbol: LC Sport
Benelli
491
50
1998 kod ramy: BA0100 symbol: LC Superbike
Benelli
491
50
1999 kod ramy: BA0100 symbol: LC Superbike
Benelli
491
50
2000 kod ramy: BA0100 symbol: LC Superbike
Benelli
491
50
2001 kod ramy: BA0100 symbol: LC Superbike
Benelli
491
50
2000 kod ramy: BA0100 symbol: RR LC
Benelli
491
50
2001 kod ramy: BA0100 symbol: RR LC
Benelli
491
50
2002 kod ramy: BA0100 symbol: RR LC
Benelli
491
50
2000 kod ramy: BA0101 symbol: SP LC
Benelli
491
50
2001 kod ramy: BA0101 symbol: SP LC
Benelli
K2
50
1999 kod ramy: BA0104 symbol: LC Namur
Benelli
K2
50
1998 kod ramy: BA0104 symbol: LC
Benelli
K2
50
1999 kod ramy: BA0104 symbol: LC
Benelli
K2
50
2000 kod ramy: BA0104 symbol: LC
Benelli
K2
50
2001 kod ramy: BA0104 symbol: LC
Benelli
K2
50
2000 kod ramy: BA0105 symbol: AC
Benelli
K2
50
2001 kod ramy: BA0105 symbol: AC
Benelli
K2
50
2000 kod ramy: BA0104 symbol: LC Namur
Benelli
K2
50
2001 kod ramy: BA0104 symbol: LC Namur
Benelli
K2
50
2000 kod ramy: BA0105 symbol: AC Namur
Benelli
K2
50
2001 kod ramy: BA0105 symbol: AC Namur
Benelli
Naked
50
2002 kod ramy: ND0000P symbol:
Benelli
Naked
50
2003 kod ramy: ND0300P symbol:
Benelli
Naked
50
2004 kod ramy: ND0300P symbol:
Benelli
Naked
50
2005 kod ramy: ND0300P symbol:
Benelli
Naked
50
2006 kod ramy: ND0300P symbol:
Benelli
Pepe
50
1999 kod ramy: BA0301 symbol:
Benelli
Pepe
50
2000 kod ramy: BA0301 symbol:
Benelli
Pepe
50
2001 kod ramy: BA0301 symbol:
Benelli
Pepe
50
2002 kod ramy: BA0301 symbol:
Beta
Ark
50
2001 kod ramy: BS4C20 symbol: AC
Beta
Ark
50
2002 kod ramy: BS4C20 symbol: AC
Beta
Ark
50
2003 kod ramy: BS4C20 symbol: AC
Beta
Ark
50
2004 kod ramy: BS4C40 symbol: AC
Beta
Ark
50
2005 kod ramy: BS4C40 symbol: AC
Beta
Ark
50
2006 kod ramy: BS4C40 symbol: AC
Beta
Ark
50
2012 kod ramy: ZD3BS4C4 symbol: AC Factory
Beta
Ark
50
2013 kod ramy: ZD3BS4C4 symbol: AC One
Beta
Ark
50
2012 kod ramy: ZD3BS4C4 symbol: AC Razor
Beta
Ark
50
2013 kod ramy: ZD3BS4C4 symbol: AC Razor
Beta
Ark
50
2001 kod ramy: BS4C00 symbol: LC
Beta
Ark
50
2002 kod ramy: BS4C00 symbol: LC
Beta
Ark
50
2003 kod ramy: BS4C00 symbol: LC
Beta
Ark
50
2004 kod ramy: BS4C30 symbol: LC
Beta
Ark
50
2005 kod ramy: BS4C30 symbol: LC
Beta
Ark
50
2006 kod ramy: BS4C30 symbol: LC
Beta
Ark
50
2008 kod ramy: ZD3BS4C3 symbol: RR LC
Beta
Ark
50
2012 kod ramy: ZD3BS4C3 symbol: LC Factory
Beta
Ark
50
2008 kod ramy: ZD3BS4C3 symbol: LC One
Beta
Ark
50
2013 kod ramy: ZD3BS4C3 symbol: LC One
Beta
Ark
50
2012 kod ramy: ZD3BS4C3 symbol: LC Razor
Beta
Ark
50
2013 kod ramy: ZD3BS4C3 symbol: LC Razor
Beta
Ark
50
2007 kod ramy: ZD3BS4C3 symbol: LC
Beta
Ark
50
2008 kod ramy: ZD3BS4C3 symbol: LC
Beta
Ark
50
2009 kod ramy: ZD3BS4C3 symbol: RR LC
Beta
Ark
50
2010 kod ramy: ZD3BS4C3 symbol: RR LC
Beta
Ark
50
2011 kod ramy: ZD3BS4C3 symbol: RR LC
Beta
Ark
50
2007 kod ramy: ZD3BS4C4 symbol: AC
Beta
Ark
50
2008 kod ramy: ZD3BS4C4 symbol: AC
Beta
Ark
50
2013 kod ramy: ZD3BS4C3 symbol: LC Factory
Beta
Ark
50
2014 kod ramy: ZD3BS4C3 symbol: LC Factory
Beta
Ark
50
2013 kod ramy: ZD3BS4C4 symbol: AC Factory
Beta
Ark
50
2014 kod ramy: ZD3BS4C4 symbol: AC Factory
Beta
Ark
50
2013 kod ramy: ZD3BS4C3 symbol: LC HB
Beta
Ark
50
2014 kod ramy: ZD3BS4C3 symbol: LC HB
Beta
Ark
50
2013 kod ramy: ZD3BS4C4 symbol: AC HB
Beta
Ark
50
2014 kod ramy: ZD3BS4C4 symbol: AC HB
Beta
Ark
50
2009 kod ramy: ZD3BS4C3 symbol: LC One
Beta
Ark
50
2010 kod ramy: ZD3BS4C3 symbol: LC One
Beta
Ark
50
2011 kod ramy: ZD3BS4C3 symbol: LC One
Beta
Ark
50
2012 kod ramy: ZD3BS4C3 symbol: LC One
Beta
Ark
50
2009 kod ramy: ZD3BS4C4 symbol: AC One
Beta
Ark
50
2010 kod ramy: ZD3BS4C4 symbol: AC One
Beta
Ark
50
2011 kod ramy: ZD3BS4C4 symbol: AC One
Beta
Ark
50
2012 kod ramy: ZD3BS4C4 symbol: AC One
Beta
Ark
50
2008 kod ramy: ZD3BS4C3 symbol: LC Paddock
Beta
Ark
50
2009 kod ramy: ZD3BS4C3 symbol: LC Paddock
Beta
Ark
50
2010 kod ramy: ZD3BS4C3 symbol: LC Paddock
Beta
Ark
50
2011 kod ramy: ZD3BS4C3 symbol: LC Paddock
Beta
Ark
50
2012 kod ramy: ZD3BS4C3 symbol: LC Paddock
Beta
Ark
50
2008 kod ramy: ZD3BS4C4 symbol: AC Paddock
Beta
Ark
50
2009 kod ramy: ZD3BS4C4 symbol: AC Paddock
Beta
Ark
50
2010 kod ramy: ZD3BS4C4 symbol: AC Paddock
Beta
Ark
50
2011 kod ramy: ZD3BS4C4 symbol: AC Paddock
Beta
Ark
50
2012 kod ramy: ZD3BS4C4 symbol: AC Paddock
Beta
Ark
50
2013 kod ramy: ZD3BS4C4 symbol: AC Paddock
Beta
Ark
50
2014 kod ramy: ZD3BS4C4 symbol: AC Paddock
Beta
Ark
50
2008 kod ramy: ZD3BS4C3 symbol: LC Tribe
Beta
Ark
50
2009 kod ramy: ZD3BS4C3 symbol: LC Tribe
Beta
Ark
50
2010 kod ramy: ZD3BS4C3 symbol: LC Tribe
Beta
Ark
50
2011 kod ramy: ZD3BS4C3 symbol: LC Tribe
Beta
Ark
50
2012 kod ramy: ZD3BS4C3 symbol: LC Tribe
Beta
Ark
50
2013 kod ramy: ZD3BS4C3 symbol: LC Tribe
Beta
Ark
50
2014 kod ramy: ZD3BS4C3 symbol: LC Tribe
Beta
Ark
50
2008 kod ramy: ZD3BS4C4 symbol: AC Tribe
Beta
Ark
50
2009 kod ramy: ZD3BS4C4 symbol: AC Tribe
Beta
Ark
50
2010 kod ramy: ZD3BS4C4 symbol: AC Tribe
Beta
Ark
50
2011 kod ramy: ZD3BS4C4 symbol: AC Tribe
Beta
Ark
50
2012 kod ramy: ZD3BS4C4 symbol: AC Tribe
Beta
Ark
50
2013 kod ramy: ZD3BS4C4 symbol: AC Tribe
Beta
Ark
50
2014 kod ramy: ZD3BS4C4 symbol: AC Tribe
Beta
Ark
50
1999 kod ramy: BS4C00 symbol: LC
Beta
Ark
50
2000 kod ramy: BS4C00 symbol: LC
Beta
Ark
50
1999 kod ramy: BS4C20 symbol: AC
Beta
Ark
50
2000 kod ramy: BS4C20 symbol: AC
Beta
Ark
50
2009 kod ramy: ZD3BS4C4 symbol: RR AC
Beta
Ark
50
2010 kod ramy: ZD3BS4C4 symbol: RR AC
Beta
Ark
50
2011 kod ramy: ZD3BS4C4 symbol: RR AC
Beta
Eikon
50
1999 kod ramy: BS5000 symbol: LC
Beta
Eikon
50
2000 kod ramy: BS5000 symbol: LC
Beta
Eikon
50
2001 kod ramy: BS5000 symbol: LC
Beta
Eikon
50
2002 kod ramy: BS5000 symbol: LC
Beta
Eikon
50
2003 kod ramy: BS5000 symbol: LC
Beta
Eikon
50
2004 kod ramy: ZD3BS5C20 symbol: LC
Beta
Eikon
50
2005 kod ramy: ZD3BS5C20 symbol: LC
Beta
Eikon
50
2006 kod ramy: ZD3BS5C20 symbol: LC
Beta
Quadra
50
1997 kod ramy: BS3 symbol:
Beta
Quadra
50
1998 kod ramy: BS3 symbol:
Beta
Quadra
50
1999 kod ramy: BS3 symbol:
Beta
Quadra
50
2000 kod ramy: BS3 symbol:
Beta
Quadra
50
2001 kod ramy: BS3 symbol:
Beta
Tempo
50
1993 kod ramy: KTM GO 50 symbol:
Beta
Tempo
50
1994 kod ramy: KTM GO 50 symbol:
Beta
Tempo
50
1999 kod ramy: KTM GO 50 symbol:
Beta
Tempo
50
2000 kod ramy: KTM GO 50 symbol:
Beta
Tempo
50
2001 kod ramy: KTM GO 50 symbol:
Buffalo/Quelle
Silver Fox
25
2002 kod ramy: - symbol:
Buffalo/Quelle
Silver Fox
25
2003 kod ramy: - symbol:
Buffalo/Quelle
Silver Fox
25
2004 kod ramy: - symbol:
Buffalo/Quelle
Silver Fox
50
2002 kod ramy: - symbol:
Buffalo/Quelle
Silver Fox
50
2003 kod ramy: - symbol:
Buffalo/Quelle
Silver Fox
50
2004 kod ramy: - symbol:
Buffalo/Quelle
Thunderbike
50
2002 kod ramy: - symbol: TB
Buffalo/Quelle
Thunderbike
50
2003 kod ramy: - symbol: TB
Buffalo/Quelle
Thunderbike
50
2004 kod ramy: - symbol: TB
CPI
Hussar
25
2003 kod ramy: - symbol:
CPI
Hussar
50
2000 kod ramy: RFTJR50AXYL symbol:
CPI
Oliver
25
2003 kod ramy: RFTJR25AX3L symbol:
CPI
Popcorn
25
2003 kod ramy: - symbol:
CPI
Popcorn
25
2004 kod ramy: - symbol:
CPI
Popcorn
25
2005 kod ramy: - symbol:
Ering
Silver Fox
50
2002 kod ramy: - symbol:
Ering
Silver Fox
50
2003 kod ramy: - symbol:
Ering
Silver Fox
50
2004 kod ramy: - symbol:
Ering
Silver Fox
50
2005 kod ramy: - symbol:
Ering
Silver Fox
50
2006 kod ramy: - symbol:
Ering
Silver Fox
50
2007 kod ramy: - symbol:
Italjet
Dragster
50
1998 kod ramy: ZJTDRG000 symbol:
Italjet
Dragster
50
1999 kod ramy: ZJTDRG000 symbol:
Italjet
Dragster
50
2000 kod ramy: ZJTDRG000 symbol:
Italjet
Dragster
50
2001 kod ramy: ZJTDRG000 symbol:
Italjet
Dragster
50
2002 kod ramy: ZJTDRG000 symbol:
Italjet
Dragster
50
2003 kod ramy: ZJTDRG000 symbol:
Kreidler
Flory
25
2003 kod ramy: - symbol:
Kreidler
Flory
25
1997 kod ramy: FLORY symbol:
Kreidler
Flory
50
2003 kod ramy: - symbol:
Kreidler
Flory
50
1997 kod ramy: FLORY symbol:
Kreidler
Flory
25
2004 kod ramy: - symbol:
Kreidler
Flory
25
2005 kod ramy: - symbol:
Kreidler
Flory
25
1998 kod ramy: FLORY symbol:
Kreidler
Flory
25
1999 kod ramy: FLORY symbol:
Kreidler
Flory
25
2000 kod ramy: FLORY symbol:
Kreidler
Flory
25
2001 kod ramy: FLORY symbol:
Kreidler
Flory
25
2002 kod ramy: FLORY symbol:
Kreidler
Flory
50
2004 kod ramy: - symbol:
Kreidler
Flory
50
2005 kod ramy: - symbol:
Kreidler
Flory
50
1998 kod ramy: FLORY symbol:
Kreidler
Flory
50
1999 kod ramy: FLORY symbol:
Kreidler
Flory
50
2000 kod ramy: FLORY symbol:
Kreidler
Flory
50
2001 kod ramy: FLORY symbol:
Kreidler
Flory
50
2002 kod ramy: FLORY symbol:
Kreidler
Flory
50
2002 kod ramy: FLORY symbol: Speed
Kreidler
Flory
50
2003 kod ramy: FLORY symbol: Speed
KTM
Ark
50
1998 kod ramy: BS4C00 symbol: LC
KTM
Ark
50
1998 kod ramy: BS4C00 symbol: LC K
KTM
Ark
50
1999 kod ramy: BS4C00 symbol: LC
KTM
Ark
50
1999 kod ramy: BS4C00 symbol: LC K
KTM
Ark
50
1998 kod ramy: BS4C20 symbol: AC
KTM
Ark
50
1999 kod ramy: BS4C20 symbol: AC
KTM
Go
50
1996 kod ramy: BS1 symbol:
KTM
Go
50
1997 kod ramy: BS1 symbol:
KTM
Go
50
1998 kod ramy: BS1 symbol:
KTM
Go
50
1999 kod ramy: BS1 symbol:
KTM
Go
50
1996 kod ramy: - symbol: Chrono 502
KTM
Go
50
1997 kod ramy: - symbol: Chrono 502
KTM
Go
50
1998 kod ramy: - symbol: Chrono 502
KTM
Go
50
1994 kod ramy: BS1 symbol:
KTM
Go
50
1995 kod ramy: BS1 symbol:
KTM
Go
50
1994 kod ramy: - symbol: Chrono
KTM
Go
50
1995 kod ramy: - symbol: Chrono
KTM
Go
50
1996 kod ramy: - symbol: Chrono
KTM
Go
50
1997 kod ramy: - symbol: Chrono
KTM
Kross
50
1997 kod ramy: BS3 symbol:
KTM
Kross
50
1998 kod ramy: BS3 symbol:
Malaguti
Centro
50
1993 kod ramy: ZJM 36 symbol: Base
Malaguti
Centro
50
1994 kod ramy: ZJM 36 symbol: Base
Malaguti
Centro
50
1995 kod ramy: ZJM 36 symbol: Base
Malaguti
Centro
50
1996 kod ramy: ZJM 36 symbol: Base
Malaguti
Centro
50
1994 kod ramy: ZJM 36/T symbol: SL
Malaguti
Centro
50
1995 kod ramy: ZJM 36/T symbol: SL
Malaguti
Centro
50
1996 kod ramy: ZJM 36/T symbol: SL
Malaguti
Centro
50
1997 kod ramy: ZJM 36/T symbol: SL
Malaguti
Centro
50
1998 kod ramy: ZJM 42/D 4900000 symbol: SL Kat
Malaguti
Centro
50
1999 kod ramy: ZJM 42/D 4900000 symbol: SL Kat
Malaguti
Centro
50
2000 kod ramy: ZJM 42/D 4900000 symbol: SL Kat
Malaguti
Ciak
50
2000 kod ramy: 5200000 symbol: 2T
Malaguti
Ciak
50
2001 kod ramy: 5200000 symbol: 2T
Malaguti
Ciak
50
2002 kod ramy: 5200000 symbol: 2T
Malaguti
Ciak
50
2003 kod ramy: 5200000 symbol: 2T
Malaguti
Ciak
50
2004 kod ramy: 5200000 symbol: 2T
Malaguti
Ciak
50
2007 kod ramy: 64000 symbol: 2T Master
Malaguti
Ciak
50
2008 kod ramy: 64000 symbol: 2T Master
Malaguti
F10
25
1994 kod ramy: 35/ ZJM 39/D symbol: Jet Line
Malaguti
F10
25
1995 kod ramy: 35/ ZJM 39/D symbol: Jet Line
Malaguti
F10
25
1996 kod ramy: 35/ ZJM 39/D symbol: Jet Line
Malaguti
F10
25
1997 kod ramy: 35/ ZJM 39/D symbol: Jet Line
Malaguti
F10
25
1998 kod ramy: 35/ ZJM 39/D symbol: Jet Line
Malaguti
F10
50
1994 kod ramy: 35/ ZJM 39/D symbol: Jet Line
Malaguti
F10
50
1995 kod ramy: 35/ ZJM 39/D symbol: Jet Line
Malaguti
F10
50
1996 kod ramy: 35/ ZJM 39/D symbol: Jet Line
Malaguti
F10
50
2009 kod ramy: 88003 symbol: Jet Line
Malaguti
F10
50
2010 kod ramy: 88003 symbol: Jet Line
Malaguti
F10
50
2011 kod ramy: 88003 symbol: Jet Line
Malaguti
F10
50
1997 kod ramy: 35/ ZJM 39/D symbol: Jet Line
Malaguti
F10
50
1998 kod ramy: 35/ ZJM 39/D symbol: Jet Line
Malaguti
F10
50
1999 kod ramy: 48 symbol: Jet Line
Malaguti
F10
50
2000 kod ramy: 48 symbol: Jet Line
Malaguti
F10
50
2001 kod ramy: 48 symbol: Jet Line
Malaguti
F10
50
2002 kod ramy: 48 symbol: Jet Line RST
Malaguti
F10
50
2003 kod ramy: 48 symbol: Jet Line RST
Malaguti
F10
50
2004 kod ramy: 48 symbol: Jet Line RST
Malaguti
F10
50
2005 kod ramy: 48/48000 symbol: Jet Line RST
Malaguti
F12
50
2008 kod ramy: 830201 symbol: AC R DT Phantom
Malaguti
F12
50
2006 kod ramy: - symbol: AC DD Phantom
Malaguti
F12
50
2000 kod ramy: 4700000 symbol: LC DD Phantom
Malaguti
F12
50
2003 kod ramy: - symbol: AC DD Phantom Fast Time
Malaguti
F12
50
2006 kod ramy: - symbol: AC DD Phantom GP
Malaguti
F12
50
2004 kod ramy: - symbol: AC DD Phantom Racing Life
Malaguti
F12
50
2005 kod ramy: - symbol: AC DD Phantom Racing Life
Malaguti
F12
50
2007 kod ramy: - symbol: AC DD Phantom
Malaguti
F12
50
1999 kod ramy: 4600000 symbol: AC DT Phantom
Malaguti
F12
50
2000 kod ramy: 4600000 symbol: AC DT Phantom
Malaguti
F12
50
2009 kod ramy: 830201 symbol: AC R DT Phantom
Malaguti
F12
50
2010 kod ramy: 830201 symbol: AC R DT Phantom
Malaguti
F12
50
2011 kod ramy: 830201 symbol: AC R DT Phantom
Malaguti
F12
50
2004 kod ramy: 6200000 symbol: LC DD Phantom Racing Life
Malaguti
F12
50
2005 kod ramy: 6200000 symbol: LC DD Phantom Racing Life
Malaguti
F12
50
2006 kod ramy: 6200000 symbol: LC DD Phantom Racing Life
Malaguti
F12
50
2007 kod ramy: 6200000 symbol: LC DD Phantom Racing Life
Malaguti
F12
25
1997 kod ramy: ZJM 40/D symbol: AC DT Phantom
Malaguti
F12
25
1998 kod ramy: ZJM 40/D symbol: AC DT Phantom
Malaguti
F12
50
1999 kod ramy: - symbol: LC DT Phantom
Malaguti
F12
50
2000 kod ramy: - symbol: LC DT Phantom
Malaguti
F12
50
1994 kod ramy: ZJM 40/D symbol: AC DT Phantom
Malaguti
F12
50
1995 kod ramy: ZJM 40/D symbol: AC DT Phantom
Malaguti
F12
50
1996 kod ramy: ZJM 40/D symbol: AC DT Phantom
Malaguti
F12
50
1997 kod ramy: ZJM 40/D symbol: AC DT Phantom
Malaguti
F12
50
1998 kod ramy: ZJM 40/D symbol: AC DT Phantom
Malaguti
F12
50
1996 kod ramy: ZJM 41 symbol: LC DT Phantom
Malaguti
F12
50
1997 kod ramy: ZJM 41 symbol: LC DT Phantom
Malaguti
F12
50
1998 kod ramy: ZJM 41 symbol: LC DT Phantom
Malaguti
F12
50
2001 kod ramy: 4600000 symbol: AC DT Phantom RST
Malaguti
F12
50
2002 kod ramy: 4600000 symbol: AC DT Phantom RST
Malaguti
F12
50
2001 kod ramy: 4700000 symbol: LC DD Phantom RST
Malaguti
F12
50
2002 kod ramy: 4700000 symbol: LC DD Phantom RST
Malaguti
F12
50
2006 kod ramy: 62000 symbol: LC DD Phantom RST
Malaguti
F12
50
2007 kod ramy: 62000 symbol: LC DD Phantom RST
Malaguti
F12
50
2003 kod ramy: 4700000 symbol: LC DD Phantom RST
Malaguti
F12
50
2004 kod ramy: 4700000 symbol: LC DD Phantom RST
Malaguti
F15
50
2003 kod ramy: - symbol: LC DD Firefox Digit
Malaguti
F15
50
2004 kod ramy: - symbol: LC DD Firefox Digit
Malaguti
F15
50
1997 kod ramy: 44 symbol: LC DT Firefox
Malaguti
F15
50
1998 kod ramy: 44 symbol: LC DD Firefox
Malaguti
F15
50
1998 kod ramy: 44 symbol: LC DT Firefox
Malaguti
F15
50
1999 kod ramy: 44 symbol: LC DT Firefox
Malaguti
F15
50
1999 kod ramy: 44 symbol: LC DD Firefox
Malaguti
F15
50
2000 kod ramy: 44 symbol: LC DT Firefox
Malaguti
F15
50
2000 kod ramy: 44 symbol: LC DD Firefox
Malaguti
F15
50
2001 kod ramy: 4400000 symbol: LC DD Firefox
Malaguti
F15
50
2002 kod ramy: 4400000 symbol: LC DD Firefox
Malaguti
F15
50
2005 kod ramy: 73K20173 symbol: AC DD Firefox
Malaguti
F15
50
2006 kod ramy: 73K20173 symbol: AC DD Firefox
Malaguti
F15
50
2007 kod ramy: 73K20173 symbol: AC DD Firefox
Malaguti
F15
50
2008 kod ramy: 73K20173 symbol: AC DD Firefox
Malaguti
F15
50
2005 kod ramy: 44000044 symbol: LC DD Firefox Digit
Malaguti
F15
50
2006 kod ramy: - symbol: LC DD Firefox Digit
Malaguti
F15
50
2007 kod ramy: - symbol: LC DD Firefox Digit
Malaguti
F15
50
2008 kod ramy: - symbol: LC DD Firefox Digit
Malaguti
Yesterday
50
1998 kod ramy: 45 symbol:
Malaguti
Yesterday
50
1999 kod ramy: 45 symbol:
Malaguti
Yesterday
50
2000 kod ramy: 45 symbol:
Malaguti
Yesterday
50
2001 kod ramy: 45 symbol:
MBK
CS
50
2004 kod ramy: - symbol: Z LC Mach G
MBK
CS
50
2005 kod ramy: - symbol: AC Mach G
MBK
CS
50
2006 kod ramy: - symbol: AC Mach G
MBK
CS
50
2002 kod ramy: SA222 symbol: AC Mach G
MBK
CS
50
2003 kod ramy: SA222 symbol: AC Mach G
MBK
CS
50
2004 kod ramy: SA225 symbol: AC Mach G
MBK
CS
50
2002 kod ramy: SA227 symbol: Z LC Mach G
MBK
CS
50
2003 kod ramy: SA227 symbol: Z LC Mach G
MBK
CS
50
2005 kod ramy: - symbol: Z LC Mach G
MBK
CS
50
2006 kod ramy: - symbol: Z LC Mach G
MBK
YA
25
1996 kod ramy: - symbol: R Forte
MBK
YA
25
1997 kod ramy: - symbol: R Forte
MBK
YA
25
1998 kod ramy: - symbol: R Forte
MBK
YA
50
1995 kod ramy: 3UG symbol: R Forte
MBK
YA
50
1996 kod ramy: 3UG symbol: R Forte
MBK
YA
50
1997 kod ramy: 3UG symbol: R Forte
MBK
YE
50
1993 kod ramy: 4FW symbol: Evolis
MBK
YE
50
1994 kod ramy: 4FW symbol: Evolis
MBK
YE
50
1995 kod ramy: 4FW symbol: Evolis
MBK
YE
50
1996 kod ramy: 4FW symbol: Evolis
MBK
YE
50
1997 kod ramy: 4FW symbol: Evolis
MBK
YE
50
1998 kod ramy: 4FW symbol: Evolis
MBK
YH
50
2003 kod ramy: - symbol: Flipper
MBK
YH
50
1999 kod ramy: SA037 symbol: Flipper
MBK
YH
50
2000 kod ramy: SA037 symbol: Flipper
MBK
YH
50
2001 kod ramy: SA037 symbol: Flipper
MBK
YH
50
2002 kod ramy: SA03D symbol: Flipper
MBK
YH
50
2004 kod ramy: SA03F symbol: Flipper
MBK
YH
50
2005 kod ramy: - symbol: Flipper
MBK
YH
50
2006 kod ramy: - symbol: Flipper
MBK
YM
50
1995 kod ramy: 4RC symbol: Fizz
MBK
YM
50
1996 kod ramy: 4RC symbol: Fizz
MBK
YM
50
1997 kod ramy: 4RC symbol: Fizz
MBK
YN
50
1999 kod ramy: - symbol: Ovetto
MBK
YN
50
2000 kod ramy: - symbol: Ovetto
MBK
YN
50
2001 kod ramy: - symbol: Ovetto
MBK
YN
50
2005 kod ramy: - symbol: Ovetto
MBK
YN
50
2006 kod ramy: - symbol: Ovetto
MBK
YN
50
2002 kod ramy: SA152 symbol: Ovetto
MBK
YN
50
2004 kod ramy: SA212 symbol: Ovetto
MBK
YN
50
1997 kod ramy: 5AD00 symbol: Ovetto
MBK
YN
50
1998 kod ramy: 5AD00 symbol: Ovetto
MBK
YN
50
2003 kod ramy: - symbol: Ovetto
MBK
YQ
50
2003 kod ramy: - symbol: Nitro
MBK
YQ
50
2005 kod ramy: - symbol: Nitro
MBK
YQ
50
2006 kod ramy: - symbol: Nitro
MBK
YQ
50
1997 kod ramy: 5BR symbol: Nitro
MBK
YQ
50
1999 kod ramy: 5BR symbol: Nitro
MBK
YQ
50
2000 kod ramy: 5BR symbol: Nitro
MBK
YQ
50
2001 kod ramy: 5BR symbol: Nitro
MBK
YQ
50
2002 kod ramy: SA142 symbol: Nitro
MBK
YQ
50
2004 kod ramy: SA145 symbol: Nitro
MBK
YQ
50
1998 kod ramy: 5BR symbol: F1 Nitro Assistance
MBK
YQ
50
1999 kod ramy: 5BR symbol: F1 Nitro Assistance
MBK
YQ
50
2000 kod ramy: 5BR symbol: F1 Nitro Assistance
MBK
YQ
50
2001 kod ramy: 5BR symbol: F1 Nitro Assistance
MBK
YQ
50
2001 kod ramy: SA142 symbol: L Nitro Jaguar 45 km/h
MBK
YQ
50
2002 kod ramy: SA142 symbol: L Nitro Jaguar 45 km/h
MBK
YQ
50
2003 kod ramy: SA142 symbol: L Nitro Jaguar 45 km/h
MBK
YQ
50
2001 kod ramy: 5BR symbol: L Nitro Jaguar 50 km/h
MBK
YQ
50
2005 kod ramy: - symbol: Nitro Naked
MBK
YQ
50
2006 kod ramy: - symbol: Nitro Naked
MBK
YQ
50
2004 kod ramy: - symbol: L Nitro Jaguar 45 km/h
MBK
YQ
50
2005 kod ramy: - symbol: L Nitro Jaguar 45 km/h
Motowell
Crogen
50
2010 kod ramy: - symbol: AC 2T City
Motowell
Crogen
50
2011 kod ramy: - symbol: AC 2T City
Motowell
Crogen
50
2012 kod ramy: - symbol: AC 2T City
Motowell
Crogen
50
2013 kod ramy: - symbol: AC 2T City
Motowell
Crogen
50
2014 kod ramy: - symbol: AC 2T City
Motowell
Crogen
50
2015 kod ramy: - symbol: AC 2T City
Motowell
Crogen
50
2016 kod ramy: - symbol: AC 2T City
Motowell
Crogen
50
2017 kod ramy: - symbol: AC 2T City
Motowell
Crogen
50
2010 kod ramy: - symbol: AC 2T Sport
Motowell
Crogen
50
2011 kod ramy: - symbol: AC 2T Sport
Motowell
Crogen
50
2012 kod ramy: - symbol: AC 2T Sport
Motowell
Crogen
50
2013 kod ramy: - symbol: AC 2T Sport
Motowell
Crogen
50
2014 kod ramy: - symbol: AC 2T Sport
Motowell
Crogen
50
2015 kod ramy: - symbol: AC 2T Sport
Motowell
Crogen
50
2016 kod ramy: - symbol: AC 2T Sport
Motowell
Crogen
50
2017 kod ramy: - symbol: AC 2T Sport
Motowell
Crogen
50
2018 kod ramy: - symbol: AC 2T Sport
Motowell
Crogen
50
2010 kod ramy: - symbol: LC 2T RS
Motowell
Crogen
50
2011 kod ramy: - symbol: LC 2T RS
Motowell
Crogen
50
2012 kod ramy: - symbol: LC 2T RS
Motowell
Crogen
50
2013 kod ramy: - symbol: LC 2T RS
Motowell
Crogen
50
2014 kod ramy: - symbol: LC 2T RS
Motowell
Crogen
50
2015 kod ramy: - symbol: LC 2T RS
Motowell
Crogen
50
2016 kod ramy: - symbol: LC 2T RS
Motowell
Crogen
50
2017 kod ramy: - symbol: LC 2T RS
Motowell
Crogen
50
2018 kod ramy: - symbol: LC 2T RS
Motowell
Crogen
50
2013 kod ramy: - symbol: 4T City
Motowell
Crogen
50
2014 kod ramy: - symbol: 4T City
Motowell
Crogen
50
2015 kod ramy: - symbol: 4T City
Motowell
Crogen
50
2016 kod ramy: - symbol: 4T City
Motowell
Crogen
50
2017 kod ramy: - symbol: 4T City
Motowell
Magnet
50
2010 kod ramy: - symbol: AC 2T
Motowell
Magnet
50
2011 kod ramy: - symbol: AC 2T
Motowell
Magnet
50
2012 kod ramy: - symbol: AC 2T
Motowell
Magnet
50
2013 kod ramy: - symbol: AC 2T
Motowell
Magnet
50
2014 kod ramy: - symbol: AC 2T
Motowell
Magnet
50
2010 kod ramy: - symbol: AC 2T Limited Edition
Motowell
Magnet
50
2011 kod ramy: - symbol: AC 2T Limited Edition
Motowell
Magnet
50
2012 kod ramy: - symbol: AC 2T Limited Edition
Motowell
Magnet
50
2013 kod ramy: - symbol: AC 2T Limited Edition
Motowell
Magnet
50
2014 kod ramy: - symbol: AC 2T Limited Edition
Motowell
Magnet
50
2015 kod ramy: - symbol: AC 2T Limited Edition
Motowell
Magnet
50
2010 kod ramy: - symbol: AC 2T Sport
Motowell
Magnet
50
2011 kod ramy: - symbol: AC 2T Sport
Motowell
Magnet
50
2012 kod ramy: - symbol: AC 2T Sport
Motowell
Magnet
50
2013 kod ramy: - symbol: AC 2T Sport
Motowell
Magnet
50
2014 kod ramy: - symbol: AC 2T Sport
Motowell
Magnet
50
2015 kod ramy: - symbol: AC 2T Sport
Motowell
Magnet
50
2016 kod ramy: - symbol: AC 2T Sport
Motowell
Magnet
50
2017 kod ramy: - symbol: AC 2T Sport
MZ/MUZ
Moskito
50
2001 kod ramy: - symbol: SX
MZ/MUZ
Moskito
50
2002 kod ramy: - symbol: SX
MZ/MUZ
Moskito
50
2003 kod ramy: - symbol: SX
PGO
PMX
50
2009 kod ramy: - symbol: Naked
PGO
PMX
50
2010 kod ramy: - symbol: Naked
PGO
PMX
50
2011 kod ramy: - symbol: Naked
PGO
PMX
50
2012 kod ramy: - symbol: Naked
PGO
PMX
50
2013 kod ramy: - symbol: Naked
Rex
Scooter
25
2002 kod ramy: - symbol: 2T
Rex
Scooter
25
2003 kod ramy: - symbol: 2T
Rex
Scooter
25
2004 kod ramy: - symbol: 2T
Rex
Scooter
25
2005 kod ramy: - symbol: 2T
Rex
Scooter
50
1999 kod ramy: - symbol: 2T
Rex
Scooter
50
2000 kod ramy: - symbol: 2T
Rex
Scooter
50
2001 kod ramy: - symbol: 2T
Rex
Scooter
50
2002 kod ramy: - symbol: 2T
Rex
Scooter
50
2003 kod ramy: - symbol: 2T
Rex
Scooter
50
2004 kod ramy: - symbol: 2T
Rex
Scooter
50
2005 kod ramy: - symbol: 2T
Yamaha
CS
Yamaha CS 50 części
2002 kod ramy: SA221 symbol: R AC Jog
Yamaha
CS
Yamaha CS 50 części
2003 kod ramy: SA221 symbol: R AC Jog
Yamaha
CS
Yamaha CS 50 części
2004 kod ramy: SA224 symbol: R AC Jog
Yamaha
CS
Yamaha CS 50 części
2002 kod ramy: SA226 symbol: RR LC Jog
Yamaha
CS
Yamaha CS 50 części
2003 kod ramy: SA226 symbol: RR LC Jog
Yamaha
CS
Yamaha CS 50 części
2004 kod ramy: SA22A symbol: RR LC Jog
Yamaha
CS
Yamaha CS 50 części
2005 kod ramy: SA22V symbol: R AC Jog
Yamaha
CS
Yamaha CS 50 części
2006 kod ramy: SA22V symbol: R AC Jog
Yamaha
CS
Yamaha CS 50 części
2007 kod ramy: SA22V symbol: R AC Jog
Yamaha
CS
Yamaha CS 50 części
2008 kod ramy: SA22V symbol: R AC Jog
Yamaha
CS
Yamaha CS 50 części
2009 kod ramy: SA22V symbol: R AC Jog
Yamaha
CS
Yamaha CS 50 części
2010 kod ramy: SA22V symbol: R AC Jog
Yamaha
CS
Yamaha CS 50 części
2011 kod ramy: SA22V symbol: R AC Jog
Yamaha
CS
Yamaha CS 50 części
2012 kod ramy: SA22V symbol: R AC Jog
Yamaha
CS
Yamaha CS 50 części
2005 kod ramy: SA22X symbol: RR LC Jog
Yamaha
CS
Yamaha CS 50 części
2006 kod ramy: SA22X symbol: RR LC Jog
Yamaha
CS
Yamaha CS 50 części
2007 kod ramy: SA22X symbol: RR LC Jog
Yamaha
CS
Yamaha CS 50 części
2008 kod ramy: SA22X symbol: RR LC Jog
Yamaha
CS
Yamaha CS 50 części
2011 kod ramy: SA22X symbol: RR LC Jog
Yamaha
CS
Yamaha CS 50 części
2009 kod ramy: SA22X symbol: RR LC Jog
Yamaha
CS
Yamaha CS 50 części
2010 kod ramy: SA22X symbol: RR LC Jog
Yamaha
CS
Yamaha CS 50 części
2013 kod ramy: SA486 symbol: R AC Jog
Yamaha
CS
Yamaha CS 50 części
2014 kod ramy: SA486 symbol: R AC Jog
Yamaha
Jog
50
1995 kod ramy: 4SC symbol: Jog Z
Yamaha
NS
50
2013 kod ramy: SA421 symbol: R Aerox
Yamaha
NS
50
2014 kod ramy: SA421 symbol: R Aerox
Yamaha
NS
50
2013 kod ramy: SA424 symbol: R Aerox Naked
Yamaha
NS
50
2014 kod ramy: SA424 symbol: R Aerox Naked
Yamaha
NS
50
2015 kod ramy: SA424 symbol: R Aerox Naked
Yamaha
YA
25
1997 kod ramy: 5AK symbol: R Axis
Yamaha
YA
25
1998 kod ramy: 5AK symbol: R Axis
Yamaha
YA
50
1996 kod ramy: 3UG symbol: R Axis
Yamaha
YA
50
1997 kod ramy: 3UG symbol: R Axis
Yamaha
YA
50
1998 kod ramy: 3UG symbol: R Axis
Yamaha
YE
50
1993 kod ramy: 4FW symbol: Zest
Yamaha
YE
50
1994 kod ramy: 4FW symbol: Zest
Yamaha
YE
50
1995 kod ramy: 4FW symbol: Zest
Yamaha
YE
50
1996 kod ramy: 4FW symbol: Zest
Yamaha
YE
50
1997 kod ramy: 4FW symbol: Zest
Yamaha
YE
50
1998 kod ramy: 4FW symbol: Zest
Yamaha
YE
50
1999 kod ramy: 4FW symbol: Zest
Yamaha
YH
50
1999 kod ramy: SA036 symbol: Why
Yamaha
YH
50
2000 kod ramy: SA036 symbol: Why
Yamaha
YH
50
2001 kod ramy: SA036 symbol: Why
Yamaha
YH
50
2002 kod ramy: SA03B symbol: Why
Yamaha
YH
50
2003 kod ramy: SA03B symbol: Why
Yamaha
YH
50
2004 kod ramy: SA03E symbol: Why
Yamaha
YH
50
2005 kod ramy: SA03E symbol: Why
Yamaha
YH
50
2006 kod ramy: SA03E symbol: Why
Yamaha
YH
50
2007 kod ramy: SA03E symbol: Why
Yamaha
YH
50
2008 kod ramy: SA03E symbol: Why
Yamaha
YH
50
2009 kod ramy: SA03E symbol: Why
Yamaha
YH
50
2010 kod ramy: SA03E symbol: Why
Yamaha
YH
50
2011 kod ramy: SA03E symbol: Why
Yamaha
YH
50
2012 kod ramy: SA03E symbol: Why
Yamaha
YH
50
2013 kod ramy: SA03E symbol: Why
Yamaha
YM
50
1995 kod ramy: 4RC symbol: Breeze
Yamaha
YM
50
1996 kod ramy: 4RC symbol: Breeze
Yamaha
YM
50
1997 kod ramy: 4RC symbol: Breeze
Yamaha
YM
50
1998 kod ramy: 4RC symbol: Breeze
Yamaha
YN
50
1999 kod ramy: 5AD symbol: Neos
Yamaha
YN
50
2000 kod ramy: 5AD symbol: Neos
Yamaha
YN
50
2001 kod ramy: 5AD symbol: Neos
Yamaha
YN
50
2002 kod ramy: SA151 symbol: Neos
Yamaha
YN
50
2003 kod ramy: SA151 symbol: Neos
Yamaha
YN
50
2004 kod ramy: SA211 symbol: Neos
Yamaha
YN
50
2005 kod ramy: SA211 symbol: Neos
Yamaha
YN
50
2008 kod ramy: SA341 symbol: Neos
Yamaha
YN
50
2009 kod ramy: SA341 symbol: Neos
Yamaha
YN
50
2010 kod ramy: SA341 symbol: Neos
Yamaha
YN
50
2011 kod ramy: SA341 symbol: Neos
Yamaha
YN
50
2012 kod ramy: SA341 symbol: Neos
Yamaha
YN
50
2013 kod ramy: SA451 symbol: Neos
Yamaha
YN
50
2014 kod ramy: SA451 symbol: Neos
Yamaha
YN
50
1997 kod ramy: 5AD symbol: Neos
Yamaha
YN
50
1998 kod ramy: 5AD symbol: Neos
Yamaha
YN
50
2006 kod ramy: SA211 symbol: Neos
Yamaha
YN
50
2007 kod ramy: SA211 symbol: Neos
Yamaha
YN
50
2013 kod ramy: SA457 symbol: Neos Easy
Yamaha
YN
50
2014 kod ramy: SA457 symbol: Neos Easy
Yamaha
YN
50
2015 kod ramy: SA457 symbol: Neos Easy
Yamaha
YN
50
2016 kod ramy: SA457 symbol: Neos Easy
Yamaha
YQ
50
2003 kod ramy: - symbol: L Aerox
Yamaha
YQ
50
1997 kod ramy: 5BR symbol: Aerox
Yamaha
YQ
50
1999 kod ramy: 5BR symbol: R Aerox
Yamaha
YQ
50
2000 kod ramy: 5BR symbol: R Aerox
Yamaha
YQ
50
2001 kod ramy: 5BR symbol: R Aerox
Yamaha
YQ
50
2002 kod ramy: SA141 symbol: R Aerox
Yamaha
YQ
50
2003 kod ramy: SA141 symbol: R Aerox
Yamaha
YQ
50
2004 kod ramy: SA144 symbol: R Aerox
Yamaha
YQ
50
2005 kod ramy: SA144 symbol: R Aerox
Yamaha
YQ
50
2006 kod ramy: SA144 symbol: R Aerox
Yamaha
YQ
50
2007 kod ramy: SA144 symbol: R Aerox
Yamaha
YQ
50
2008 kod ramy: SA144 symbol: R Aerox
Yamaha
YQ
50
2009 kod ramy: SA144 symbol: R Aerox
Yamaha
YQ
50
2010 kod ramy: SA144 symbol: R Aerox
Yamaha
YQ
50
2011 kod ramy: SA144 symbol: R Aerox
Yamaha
YQ
50
2006 kod ramy: SA144 symbol: L Aerox Race Replica
Yamaha
YQ
50
2007 kod ramy: SA144 symbol: L Aerox Race Replica
Yamaha
YQ
50
2008 kod ramy: SA144 symbol: L Aerox Race Replica
Yamaha
YQ
50
2009 kod ramy: SA144 symbol: L Aerox Race Replica
Yamaha
YQ
50
2010 kod ramy: SA144 symbol: L Aerox Race Replica
Yamaha
YQ
50
2011 kod ramy: SA144 symbol: L Aerox Race Replica
Yamaha
YQ
50
2005 kod ramy: SA144 symbol: L Aerox Replica
Yamaha
YQ
50
2004 kod ramy: SA144 symbol: L Aerox Rossi Replica
Yamaha
YQ
50
2002 kod ramy: SA141 symbol: L Aerox Tech3
Yamaha
YQ
50
2003 kod ramy: - symbol: L Aerox Toyota
Yamaha
YQ
50
1998 kod ramy: 5BR symbol: Aerox Ultimate
Yamaha
YQ
50
2012 kod ramy: SA144 symbol: R Aerox
Yamaha
YQ
50
2012 kod ramy: SA144 symbol: L Aerox Anniversary
Potrzebujesz pomocy? Masz pytania?Zadaj pytanie a my odpowiemy niezwłocznie, najciekawsze pytania i odpowiedzi publikując dla innych.
Zapytaj o produkt
Jeżeli powyższy opis jest dla Ciebie niewystarczający, prześlij nam swoje pytanie odnośnie tego produktu. Postaramy się odpowiedzieć tak szybko jak tylko będzie to możliwe. Dane są przetwarzane zgodnie z polityką prywatności. Przesyłając je, akceptujesz jej postanowienia.
Napisz swoją opinię
Twoja ocena:
5/5
Dodaj własne zdjęcie produktu:
Prawdziwe opinie klientów
4.8 / 5.0 1524 opinii

Dbamy o Twoją prywatność

Sklep korzysta z plików cookie w celu realizacji usług zgodnie z Polityką dotyczącą cookies. Możesz określić warunki przechowywania lub dostępu do cookie w Twojej przeglądarce. Więcej informacji na temat warunków i prywatności można znaleźć także na stronie Prywatność i warunki Google.

Zamknij
'); fbq('track', 'PageView');