WAŁ KORBOWY
TOP RACING 2T 50 CCM STANDARD PGO PMX-5 BIG MAX 10 MM
Kod produktu: WAJ6030026
Charakterystyka
produktu:
·
Wał KARBOWY
TOP RACING/JASIL do silników 2T 50 CCM
·
Najwyższej
jakości zamiennik, niczym nie odbiegający od części oryginalnej
·
Łożysko główki
korbowodu - 10x14x13 mm
·
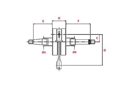
Wymiary:
A - 20,00 mm
B - 20,00 mm
C - 19,65 mm
D - 80,00 mm
E - 70,50 mm
F - 91,30 mm
G - 38,00 mm
·
Wyprodukowana
według standardów jakości ISO
Zastosowanie: PGO BIG MAX 50 …..> 2006,
GALAXY 50, G-MAX 50 …..> 2006, TORNADO 50 szczegóły w zakładce „pasuje do” i tabelce poniżej
JASIL to Portugalska firma zajmująca się obróbką metali,
której główną działalnością jest produkcja części i akcesoriów do motocykli i
skuterów. 70 lat doświadczenia oraz dążenie do doskonałości, jest efektem
stałych inwestycji w nowe technologie, rozwój nowych produktów, dbałość o
jakość z koncentracją na końcowym odbiorcy










