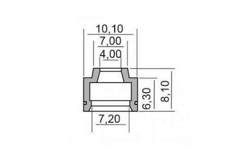
- Uszczelniacz Zaworowy 4x7,2x8,1x10,1 Mm 125/1300 Ccm Scrambler 1200 Gsf1250 Rms – część marki RMS. Zastosowanie: element uniwersalny.
Uszczelniacz Zaworowy 4x7,2x8,1x10,1 Mm 125/1300 Ccm Scrambler 1200 Gsf1250 Rms to wysokiej jakości część zamienna marki RMS, przeznaczona do renowacji i serwisu klasycznych pojazdów. Produkt wykonany na wzór oryginału, zapewnia prawidłowy montaż i pewne działanie.
- Marka: RMS
- Kod produktu: 100669250
- Confezione 10 Pz. | 10 Pcs Packing
- Confezione 10 Pz. | 10 Pcs Packing
- Confezione 10 Pz. | 10 Pcs Packing
- HONDA: 12209-GB4-681
- KYMCO: 00122779
- HONDA: 12209-MA6-003
- PEUGEOT: 766514
- SUZUKI: 09289-04002-000
Zastosowanie: element uniwersalny (brak wskazania konkretnych modeli w katalogu RMS).
Przed zakupem porównaj z oryginalną częścią (wymiary / wersja), aby mieć pewność dopasowania.
Zapytaj o produkt
Napisz swoją opinię





